Cartridge are standardized per diameter
Flow range could be adapted by installing a new cartridge.
Cartridege valves give you more flexibility.
Standard valves weight is 2 tonnes for a 20" valve. MPSA 20" cartridge is around 70kg.
You can store one spare cartridges for all our standardized valve instead of whole valves.




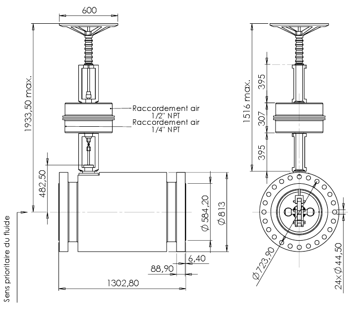
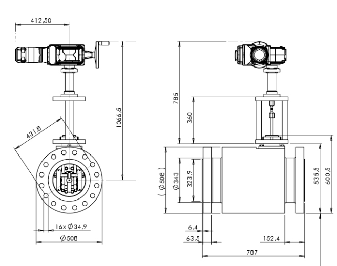
On a valve you can change the motorization type from pneumatic to electric or handle wheel
MPSA valves are operated with low powered motorisations . it saves money for installation, exploitation and maintenance.